稿件来源:高途
高中 | 螺旋测微器的读数和使用题目答案及解析如下,仅供参考!
选修3-1
第二章 恒定电流
2.6 导体的电阻
螺旋测微器的读数和使用
现有一套光电门的实验装置,如图甲所示,气垫导轨上安装光电门,滑块上固定一个竖直遮光条,滑块通过绕过定滑轮的细线与沙桶相连,沙桶离地足够高。调节气垫导轨水平,并使细线与导轨平行。测出滑块和遮光条的总质量$M$,沙桶质量为$m$,遮光条的宽度为$d$,遮光条到光电门的距离为$L$。

①小赵利用本装置探究“加速度与力、质量的关系”实验中, (填“需要”或“不需要”)沙桶的质量远小于滑块的质量;
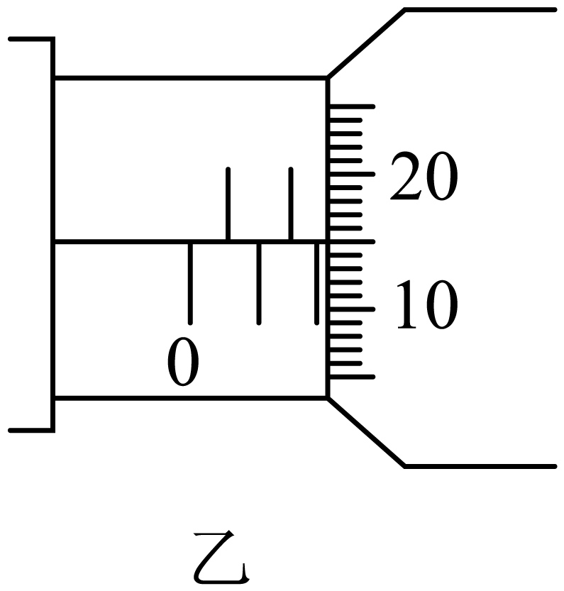
②用螺旋测微器测量遮光条的宽度如图乙所示,则遮光条的测量值$d=$ $\;\rm mm$。

①根据探究“加速度与力、质量的关系”实验原理结合相应的实验装置,用沙桶和沙的总重力充当合外力,对滑块和遮光条由牛顿第二定律可得$F=Ma$
对沙桶由牛顿第二定律可得$mg-F=ma$
解得$F=\dfrac{Mmg}{M+m}=\dfrac{1}{1+\dfrac{m}{M}}mg$
当$m\ll M$时$F=mg$
所以需要沙桶的质量远小于滑块的质量
②螺旋测微器的精确度为$0.01\;\rm mm$,其读数为$d=2\;\rm mm+15.1 \times 0.01\;\rm mm=2.151\;\rm mm$
小钱利用如图甲所示的实验装置进行“验证机械能守恒”的实验,现将滑块从图甲所示位置静止释放,由数字计时器读出遮光条通过光电门的时间$t$,已知重力加速度为$g$。
①本实验的研究对象是 (填“滑块”或“滑块和沙桶组成的系统”)
②改变光电门的位置,重复实验,测出多组$L$和$t$,作出$L-\dfrac{1}{t^{2}}$图像,为一条过坐标原点的直线,如果图线的斜率为 (用题中测量物理量符号表示),则验证了机械能守恒。
①本实验中沙桶的重力势能减小,滑块和沙桶的动能增大,滑块的机械能不守恒,本实验的研究对象是滑块和沙桶组成的系统。
②如果系统机械能守恒,则有$mgL=\dfrac{1}{2}(M+m)\left( \dfrac{d}{t} \right)^{2}$
解得$L=\dfrac{(M+m)d^{2}}{2mg} \times \dfrac{1}{t^{2}}$
故$L-\dfrac{1}{t^{2}}$斜率为$k=\dfrac{(M+m)d^{2}}{2mg}$
高中 | 螺旋测微器的读数和使用题目答案及解析(完整版)