稿件来源:高途
高中 | 闭合电路的欧姆定律基本问题题目答案及解析如下,仅供参考!
选修3-1
第二章 恒定电流
2.7 闭合电路的欧姆定律
闭合电路的欧姆定律基本问题
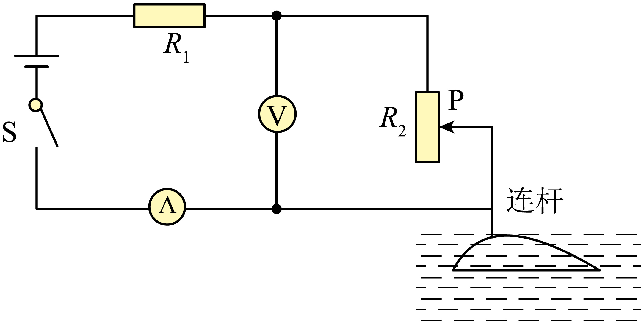
下图是根据飞机升降时机翼受力的原理设计的装置,用于监测河水流速的变化。机翼状的探头始终浸没在水中,通过连杆带动滑动变阻器的滑片$P$上下移动,电源电动势为$4.8\;\rm V$,内阻不计,理想电流表量程为$0\sim 0.6\;\rm A$,理想电压表量程为$0\sim 3\;\rm V$,定值电阻$R_{1}$阻值为$6\;\rm \Omega$,滑动变阻器$R_{2}$的规格为“$20\;\rm \Omega$, $1\;\rm A$”。闭合开关$\rm S$,随着水流速度的改变,下列说法正确的是$(\qquad)$

当水流速度增大时,电流表的示数变小
","当水流速度增大时,电压表与电流表的示数之比变大
","滑动变阻器允许接入电路的取值范围为$2\\;\\rm \\Omega\\sim 15\\;\\rm \\Omega$
","电阻$R_{1}$的电功率的变化范围为$0.54\\;\\rm W\\sim 2.16\\;\\rm W$
"]$\rm A$.当水流速度增大时,根据流体压强与流速的关系可知,探头上方流速大,压强小,会产生一个向上的升力,探头带动连杆向上运动,滑片$P$上滑,变阻器连入电路中的电阻减小,根据$I=\dfrac{E}{R_{1}+R_{2}}$
可知电流增大,电流表的示数增大,$\rm A$错误;
$\rm B$.当水流速度增大时,根据伯努利原理可知,探头带动连杆向上运动,滑片$P$上滑,变阻器连入电路中的电阻减小,电路中电流增大,根据$U=E-IR_{1}$
有$\dfrac{U}{I}=\dfrac{E}{I}-R_{1}$
可知,电压表与电流表的示数之比减小,$\rm B$错误;
$\rm C$.由于通过理想电流表的最大电流为$0.6\;\rm A$,所以,滑动变阻器的最小电阻为$R_{\min}=\dfrac{E}{I_{\max}}-R_{1}=2\;\rm \Omega$
理想电压表量程为$0\sim 3\;\rm V$,所以,滑动变阻器的最大电阻为$R_{\max}=\dfrac{U_{\max}}{I}$
$U_{\max}=E-I_{\min}R_{1}$
可得$I_{\min}=0.3\;\rm A$
$R_{\max}=10\;\rm \Omega$
所以滑动变阻器允许接入电路的取值范围为$2\;\rm \Omega\sim 10\;\rm \Omega$,$\rm C$错误;
$\rm D$.由$\rm C$选项的分析可知,电路中电流的变化范围为$0.3\;\rm A-0.6\;\rm A$,根据$P=I^{2}R_{1}$
可得$P_{\min}=0.54\;\rm W$
$P_{\max}=2.16\;\rm W$
$\rm D$正确。
故选:$\rm D$。
高中 | 闭合电路的欧姆定律基本问题题目答案及解析(完整版)